Carburateur Bing Type 64 / Rotax 912 |
|
 |
Périodicité de révision
Les spécialistes recommandent de réviser les carburateurs Bing toutes les 600 heures (1/2 vie).
Pas grand-chose à faire sinon éventuellement changement d'aiguille si marquée, et de membrane si racornie..
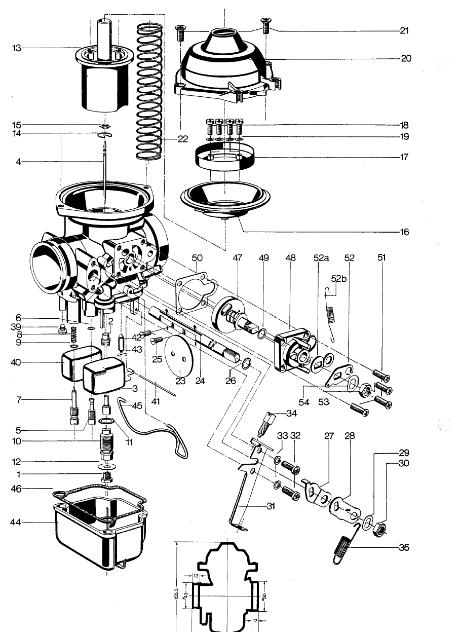
Numéro : Le numéro du carburateur se trouve sur une petite nervure longitudinale sous le chapeau du carbu.
Révisions sur le terrain
Normalement il n'est pas nécessaire de démonter la totalité du carburateur.
Un changement de diaphragme, de flotteur, ou de pointeau et un nettoyage à la bombe sont en général suffisants.
Nettoyage
Les meilleurs spécialistes recommandent l'utilisation d'une bombe de nettoyant carburateur puissant, en insistant bien sur les gicleurs et les passages dans le corps du carburateur. Renouveler si nécessaire.
Pour les petites pièces, le nettoyage aux ultrasons est une excellente option. Des bacs à ultrasons se trouvent maintenant pour une cinquantaine d'euros.
Attention, ne pas employer de solvant ou lessive corrosifs !
Recherche de prises d'air
Une astuce classique de motard (prudence moteur tournant !) : Pour rechercher les fuites moteur au ralenti, vaporiser l'extérieur du carburateur avec du nettoyant pour freins en bombe. Les points à testers sont les extrémités d'axe de papillon ou de starter, le chapeau de carbu, le voisinage des brides. Si le ralenti change, il y a une fuite.
Remisage ou hivernage
En cas d'immobilisation prolongée, il est recommandé de vider les tuyauteries et les cuves de vos carburateurs Bing, pour minimiser les dépôts de vernis.
|
Il est fortement recommandé de ne démonter qu'un carburateur à la fois, pour éviter de mélanger les petites pièces. |
|
Démontage / Remontage
Cuve |
 |
Inspecter et nettoyer régulièrement la cuve à niveau constant.
Vérifier l'usure des guide des flotteurs, et le libre coulissemnt de ceux-ci.
On aperçoit le gicleur de démarrage au fond du logement de droite.
|
Joint de cuve |
 |
Si le joint vient avec la cuve au démontage, le replacer d'abord soigneusement dans sa rainure sur le corps du carbu avant d'approcher la cuve.
Il risque autrement de fuir ou d'être pincé.
|
Ordre de montage |
 |
Toujours remonter l'ensemble gicleur principal avant d'installer l'ensemble aiguille-piston-diaphragme, au risque de tordre l'aiguille.
|
Gicleurs |
 |
Leur démontage doit rester peu fréquent, le nettoyage à la bombe suffit souvent.
Remplacer systématiquement les joints toriques au remontage.
Ci-contre, gicleur principal (1), porte-gicleur (10), gicleur d'aiguille (11) et tube d'émulsion (2) dans leurs positions respectives.
Ne jamais tenter de déboucher un gicleur en y introduisant un fil métallique !
|
Diaphragme |
 |
Le diaphragme (16) devrait être remplacé tous les deux à quatre ans, quelles que soient les heures de vol.
Le diaphragme est muni de languettes de positionnement dans le corps et dans le piston.
|
Couvercle |
 |
Le couvercle (20) comporte un obturateur d'acier serti dans le l'alliage léger. Assurez-vous qu'il ne présente aucun jeu, qui provoquerait une prise d'air.
Les symptômes font penser à une membrane (16) percée ou poreuse.
|
Axe du papillon des gaz |
Volet du papillon des gaz |
|
Eviter de le démonter inutilement. Lors du remplacement des joints toriques (26) de l'axe de papillon, limer la partie filetée des vis (25) de maintien du papillon, qui dépasse à l'arrière de l'axe, avant de tenter de les dévisser.
Vous risqueriez d'arracher le filetage de l'axe de papillon.
Les filets sont en effet matés derrière l'axe afin d'éviter l'ingestion par le moteur en cas de desserrage.
Penser à mater les nouvelles vis lors de leur mise en place.
Le volet de papillon (23) doit être impérativement remis en place dans sa position initiale.
Il y a en principe un repère ou un numéro frappé sur la partie supérieure du papillon. S'il n'y est pas, marquez-le.
Au remontage, bien centrer le volet dans le corps du carburateur, avant de serrer les vis.
|
Starter |
|
 |
Le démontage est rarement nécessaire, et les petites pièces se mélangent facilement.
Notez également qu'il y a un starter gauche et un droit, ils sont marqués L ou R au centre de l'axe en laiton, côté intérieur.
Attention à ne pas intervertir les pièces.
L'axe laiton porte une marque au pointeau sur son extrémité extérieure, côté câble du levier de commande (52).
Les quatre vis (51) de fixation du starter sont réputées pour se dévisser toutes seules. Les vérifier régulièrement. Malgré les indications de Bing, l'utilisation de ™Loctite n'est pas forcément une bonne idée : risque de boucher les canaux dans le corps du starter.
Dans tous les cas, soyez parcimonieux.
|
Description |
|
COMMANDE DE PRISE DE CARBURANT
Les flotteurs du carburateur se compose de deux éléments en plastique qui enclenchent une charnière en métal. Les flotteurs sont placés centralement de tel sorte que le carburateur puisse être incliné dans toutes les directions sans altérer l'opération. L'objet du flotteur est de maintenir le niveau de carburant dans cuve constant.
Quand le carburant atteint un niveau spécifique, les flotteurs, qui sont montés sur des poteaux, sont soulevés jusqu'à ce que l'aiguille du flotteur soit pressée contre le siège de la soupape à pointeau, de ce fait empêchant l'approvisionnement en carburant.
Quand le moteur tire le carburant du carburateur, le niveau baisse dans les cuve et le flotteur descend. L'aiguille du flotteur ouvre alors la valve et permet au carburant de couler du réservoir. La soupape à pointeau du flotteur règle la fourniture en combustible mais elle n'agit pas en tant que soupape d'arrêt quand le moteur est à un arrêt.
Des corps étrangers peuvent être déposés entre le siège de la valve et le bec, de ce fait empêchant la fermeture complète de la valve.
En arrêtant le moteur, le robinet de carburant (sur le réservoir) devrait toujours être fermé. En outre le carburant devrait être filtré avant qu'il atteigne le carburateur.
Le filtre devrait être choisi de sorte que les corps étrangers de 0.1mm soient filtrées.
L'aiguille du flotteur contient un plongeur à ressort qui entre en contact avec la charnière du flotteur. Ceci absorbe les vibrations sur le flotteur. En outre l'aiguille du flotteur est reliée à la charnière du flotteur par un ressort pour l'empêcher de se déplacer entre le flotteur et le siège de valve et de réduire de ce fait la fourniture en combustible. Le ressort et le guide apportent une contribution considérable à maintenir le niveau constant de carburant dans la cuve.
|
En principe, aux environs des 600-700 heures de fonctionnement, il faut changer les pièces maitresses des carburateurs.
A savoir :
L’Aiguille
Ne pas oublier les accessoires de cette aiguille (clips et joint ci elle en est équipée, sinon, il faut en profiter pour monter le nouveau dispositif) Pourquoi monter ce petit joint avec la grosse vis qui va bien ? Parce qu’en fonctionnement normal, l’aiguille tourne sur elle-même. Elle provoque une usure prématuré du clips, et celui-ci peut casser.
Déjà vu plusieurs fois, la dernière était en Tchéquie sur les championnats du monde, quand avec Peyo, nous avons démonté les carburateurs d’un 912 Polonais, les aiguilles sont tombées toutes seules.Les clips de maintiens étaient complètement bouffés par l’usure.
Le Puits d’aiguille
Il s’ovalise par les vibrations de l’aiguille
Le Pointeau
Il se marque sur la portée du carburateur, puis le cône devient dur, son ressort devient moins efficace, et il n’est peut être plus capable de supporter la pression de l’essence dans la cuve.
La fourchette de fermeture de pointeau
Elle se marque au niveau du pointeau, et peut aller jusqu'à la perforation.(déjà vu sur un 912 80 chevaux d’un FK9 qui n’avait que 500 heures mais il vibrait beaucoup
La membrane de la cloche du carburateur
Elle peut devenir poreuse ou peut présenter des fissures ou des amorces de criques.
Enfin, toute la série de joints du carburateur pour garantir une bonne étanchéité.
fichier complet du carburateur Bing64 avec les explications des signes utilisés ainsi que les calibrations.
|
 |
|
|
|
|
|
|
|
|
|
 |
 |
Contact |
 |