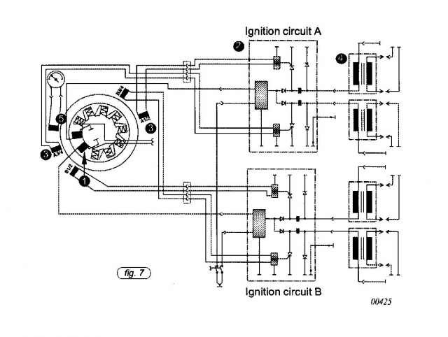
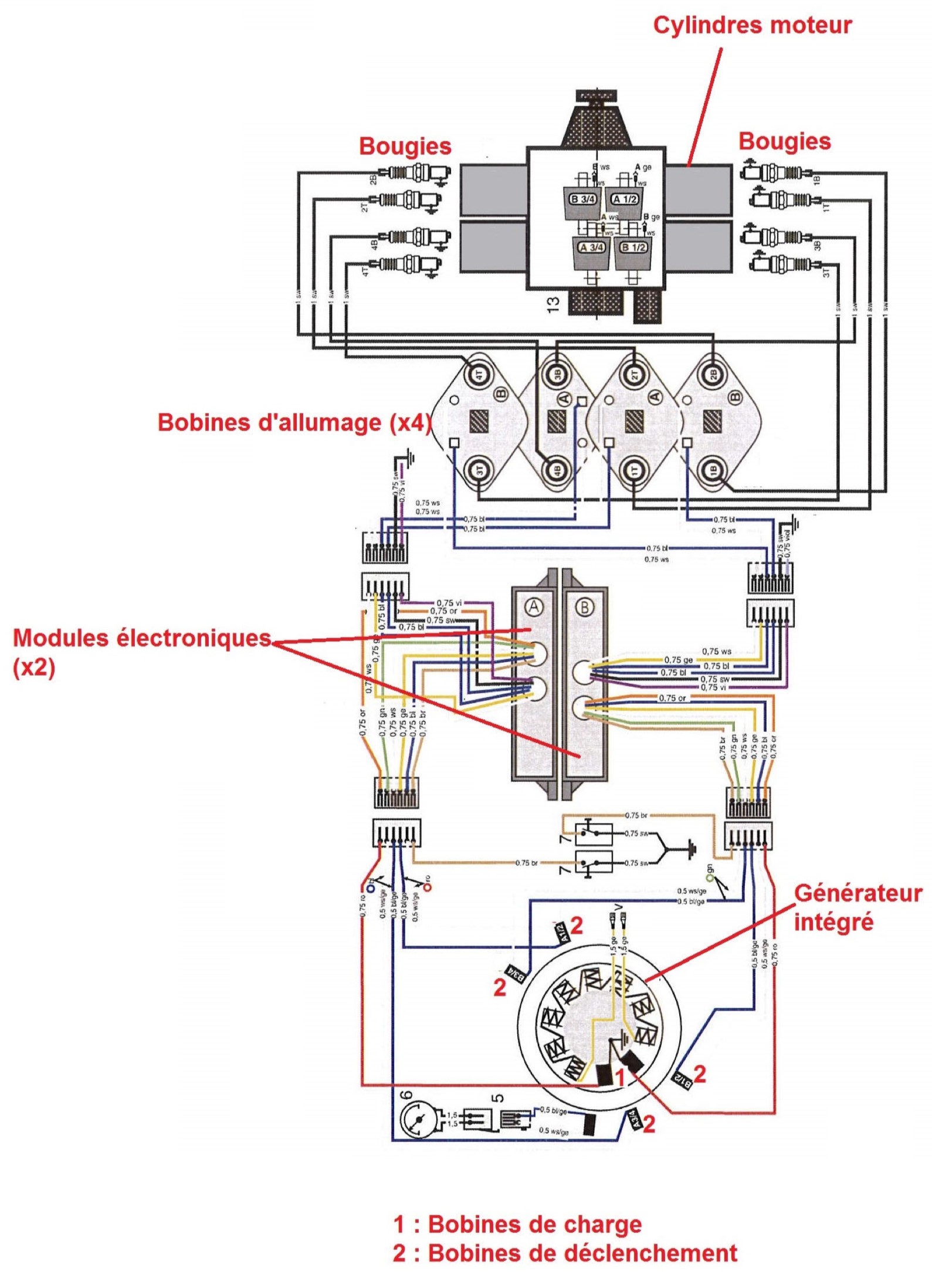
Circuit d'Allumage

Le moteur ROTAX 912 est équipé d'un double-boitiers d'allumage, de capteur d'allumage, avec une génératrice intégrée.

Deux bobinages indépendants localisés dans le stator alimentent un circuit d'allumage chacun

Au moment de l'allumage, deux des quatre capteurs actionnent la décharge des boitiers électronique via le circuit primaires des doubles bobines d'allumages

Le cinquième capteur est prévu pour le signal du compte tours

Si au-dessus de 4000-4500 t/m vous constater des microcoupures aléatoires, cela peut être du a des étincelles entre bobines du stator !!!

fleche g Contact